Sie verwenden einen nicht mehr unterstützten Browser, daher kann die Webseite teilweise nicht korrekt dargestellt werden.
Kontakt
Servicemeldung
Bestellung Ersatzteile
Einfamilienhaus

Wärmepumpe - 8 kW
Einfamilienhaus
4500 Solothurn

Ersatz einer Elektrospeicherheizung durch eine Luft/Wasser-Wärmepumpe.

Ausgangslage

Ersatz einer Elektrospeicherheizung durch eine Luft/Wasser-Wärmepumpe.

Lösung

Effiziente Wärmegewinnung mit einer Wärmepumpe: Für Philipp Weber, Inhaber eines Sanitär- und Installations-Fachbetriebs in Solothurn war der Ersatz seiner in die Jahre gekommenen und stromfressenden Elektrospeicherheizung die alternativlose Option. Und weil er für seine Kunden eine Referenzanlage bauen wollte, setzte der auf die neue Luft/Wasser-Wärmepumpe S2125-12 von NIBE mit dem neuen, natürlichen Kältemittel R290.

Am 01.02.2023 konnte die Anlage zur Zufriedenheit aller Beteiligten in Betrieb genommen
werden.

Nach fast einem Jahr Betrieb läuft die Anlage sorgenfrei und das Feedback der Bauherrschaft
ist äusserst positiv.
Der Wärme- und Wasserspeicher.

Der Wärme- und Wasserspeicher.

Smarte Steuerung über das intelligente Panel.

Smarte Steuerung über das intelligente Panel.

Über die mobile App immer im Bilde, was und wie die Wärmepumpe arbeitet.

Über die mobile App immer im Bilde, was und wie die Wärmepumpe arbeitet.

Saubere Installation – das sind Anlagen von Liebi.

Saubere Installation – das sind Anlagen von Liebi.

Eckpunkte der Heizungsanlage

  • NIBE Luft/Wasser-Wärmepumpe Typ S2125-12
  • Energiespeicher 500 Liter
  • Wassererwärmer 400 Liter
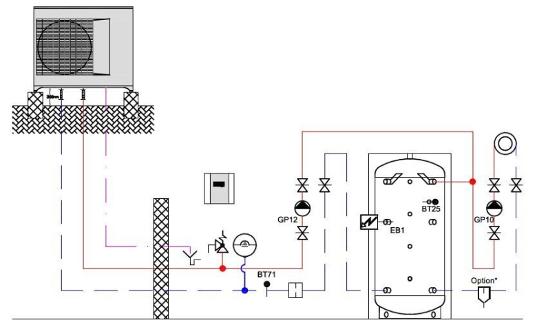
Schema

Schema

Sockelplan

Sockelplan

Eingesetzte Produkte & Dienstleistungen

Übersichtsbild

NIBE S2125

NIBE S2125 ist die Luft-/Wasser-Wärmepumpe mit dem umweltfreundlichen Kältemittel Propan für höchste Effizienz im Neubau, der Modernisierung oder für den Austausch Ihres bestehenden Heizsystems.

Übersichtsbild

Technische Verkaufsberatung

Nachhaltige Wärmeerzeugung ist unsere Kernkompetenz. Gerne unterstützen wir Sie bei der Wahl des zukünftigen Heizsystems und erarbeiten mit Ihnen die passende Entscheidungsgrundlage.

Übersichtsbild

NIBE myUplink

Mit myUplink erhalten Sie einen schnellen Überblick über den Status der Wärmepumpe und den Status der Heizung in Ihrem Haus.