Sie verwenden einen nicht mehr unterstützten Browser, daher kann die Webseite teilweise nicht korrekt dargestellt werden.
Kontakt
Servicemeldung
Bestellung Ersatzteile
Weingut Bovel

Pelletheizung - 50 kW
Weingut Bovel
7306 Fläsch

Ersatz der bestehenden Ölheizung durch eine moderne Pellet Anlage zur Beheizung der bestehenden Liegenschaft, dem Neubau und die Prozesswärme für die Weinherstellung.

Ausgangslage

Eine bestehende Ölheizung mit innenliegendem Öltank sollte durch eine moderne Pellet Anlage ersetzt werden. Sie sollte den neuen Erweiterungsbau versorgen sowie die Prozesswärme zur Weinherstellung bereitstellen.

Lösung

In knappen, vorgegebenen Platzverhältnissen – der bestehende Öltankraum wurde zum Pelletlager umgenutzt – wurde die neue Pelletanlage eingebaut. Sie war dem Wunsch des Bauherren entsprechend, die perfekte nachhaltige Lösung, die zur Philosophie des Weinguts passt. Die Warmwasseraufbereitung haben wir mit zwei Frischwassermodulen auf kleinstem Raum realisiert.

ETA PelletsCompact Heizkessel mit Speicher

ETA PelletsCompact Heizkessel mit Speicher

Der Heizungsverteiler von LIEBI.

Der Heizungsverteiler von LIEBI.

Smart gesteuert mit ETA Steuerung.

Smart gesteuert mit ETA Steuerung.

Geregelte Luftzufuhr für saubere Verbrennung.

Geregelte Luftzufuhr für saubere Verbrennung.

Eckpunkte der Heizungsanlage

  • Kompakter Pelletskessel mit 1‘270 Liter Energiespeicher
  • Warmwasseraufbereitung mit zwei Frischwassermodul 44 Liter pro Minute mit Inox Wärmetauscher.
  • Idee, Konzept und Planung erfolgte durch den Ingenieur in Zusammenarbeit mit Liebi. die Arbeiten wurden innerhalb von 2 Monaten ausgeführt und abgeschlossen
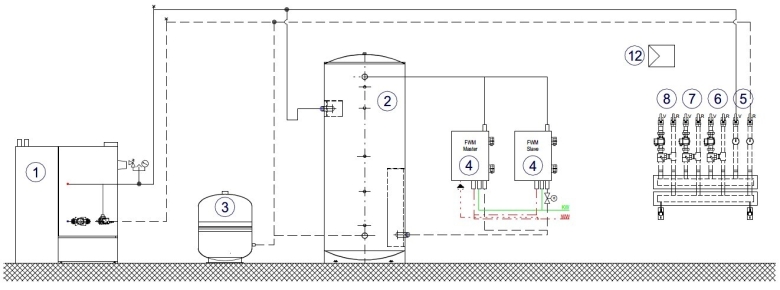
Schema

Schema

Grundriss

Grundriss

Pelletlager

Pelletlager

Eingesetzte Produkte & Dienstleistungen

Übersichtsbild

Eta PC

Der ETA PelletsCompact braucht wenig Platz und ist der ideale Pelletskessel für grössere Wohngebäude und Gewerbeliegenschaften.

Übersichtsbild

meinETA

meinETA, die kostenlose Internetplattform. Sie können alle Heizungseinstellungen auf Ihrem Handy, Tablet oder einem PC sehen und ändern.

Übersichtsbild

Technische Verkaufsberatung

Nachhaltige Wärmeerzeugung ist unsere Kernkompetenz. Gerne unterstützen wir Sie bei der Wahl des zukünftigen Heizsystems und erarbeiten mit Ihnen die passende Entscheidungsgrundlage.